July 25th, 2025
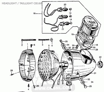
Here’s the exploded diagram for the headlight assembly.
Looks simple enough, doesn’t it? Surely you should know by now that NOTHING is ever simple when rebuilding an ancient motorcycle!
First, note part 19; it’s a foam rubber vibration damper just underneath the speedometer near the top. Speedometers on motorcycles that lack vibration dampers show your speed jumping up and down wildly, which is why they use these foam rubber vibration dampers. Can you guess how well foam rubber survives 50 years of exposure? My vibration damper was in sorry shape, and there’s no way to rejuvinate it. Moreover, you simply cannot buy a replacement. I was very fortunate that Kathy had insisted that I purchase that old fragmentary CB160, because the vibration damper on it was in pretty good shape.
What this diagram doesn’t show is the rat’s nest of wires inside. The interior of the headlight case is one of the few places on the motorcyle that is not exposed to the elements, so all the electrical connections for the front of the motorcycle are made there.
Fortunately, Honda’s wiring connectors are well-designed and quite robust; I didn’t have to replace any of them.
